

1. Stainless steel frame and chrome keys
2. Vandal resistance
3. Conductive rubber made of natural silicone
4. Waterproof, corrosion resistance, Ageing resistance
5. Double-sided board, Good for contact of Goldfinger
6. Includes 8-pin connector
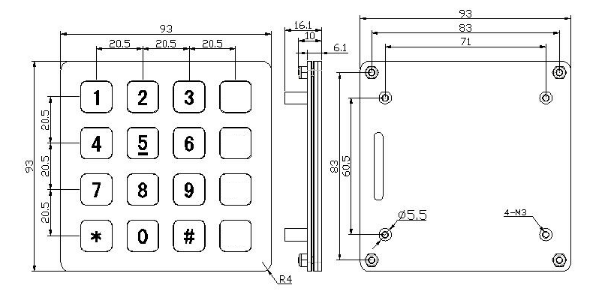
6. Includes twelve standard keypad buttons plus four additional buttons which can be used for speed dial calling
7. Life span>500 thousand hits
| Operating temperature | -25°C to +65°C |
| Storage temperature | -30°C to +70°C |
| Operating RH | 30-90% |
| Protection Level | IP65 (front panel) |
