

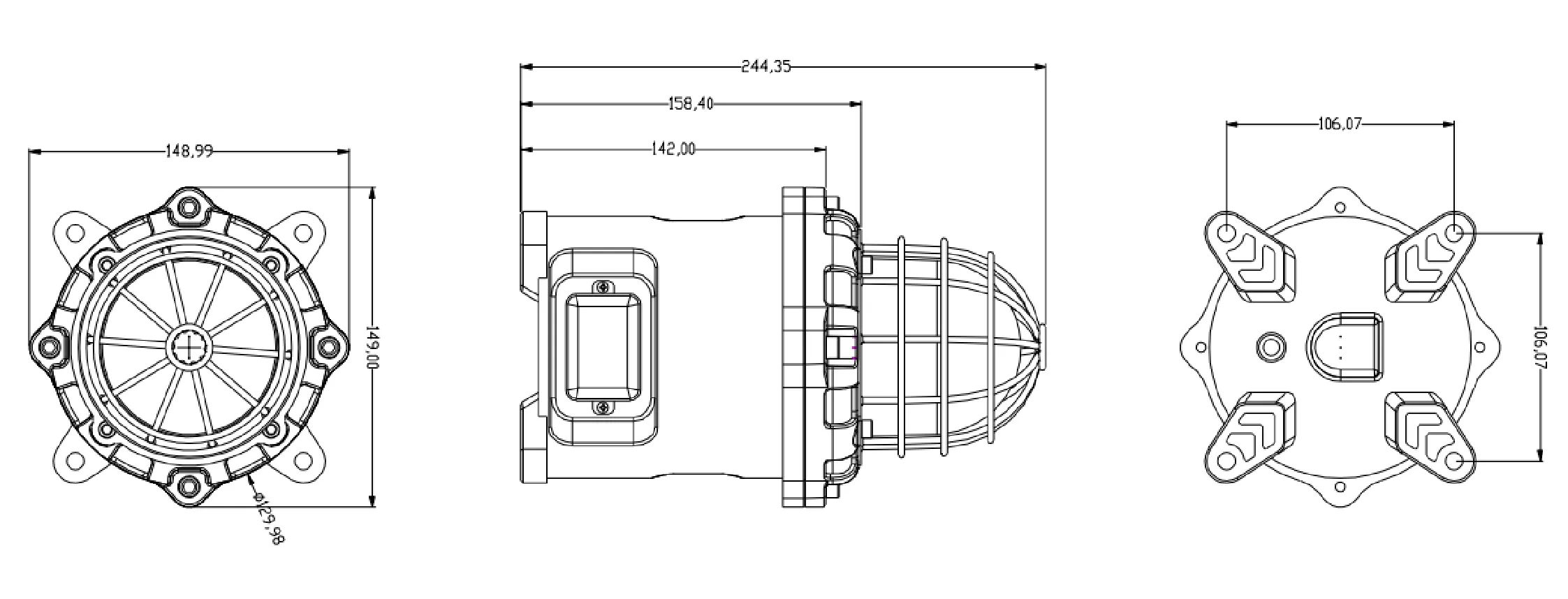
Ex d ib llC T6 Gb/Ex tD A21 IP66 T80℃
| Operating voltage | DC12V | |
| Power frequency | 50Hz-60Hz | |
| Power consumption | 10W | |
| 1Hz flash (60 fpm) | ||
| 1.5Hz flash (90 fpm) | ||
| LED reflector rotating type; Rotation speed: 120-140 RPM | 2Hz flash (120 fpm) | |
| Double strike flash 50ms on, 150ms off x | ||
| Light source | 2, 600ms off | |
| (optional) | Triple strike flash 150ms on, 150ms off x | |
| 3, 600ms off | ||
| LED flashing & strobe type (Power: 5W, 10W) | High Power Steady | |
| Low Power Steady | ||
| LED service life ≥ 60,000 hours | ||
| Xenon strobe type (Power: 5J, 10J, 15J, 20J) | 1Hz flash (60 fpm) | |
| Alarm sound | A/B/C/D | Optional |
| Sound level | 100dB | |
| Warning mode | Audible and visual, rotating beacon | |
| Housing material | Aluminum alloy or SUS304 stainless steel | Optional |
| LED lamp cover | ABS | |
| Protection rating | IP66 | |
| Operating temperature | -30℃ ~ 70℃ | |
| Operating humidity | 10% ~ 95% RH (Non-condensing) |
