

JR-TP-01 Telephone pillar designed for installation on public and private roads. Designed for high mechanical strength and combined with a very long service life when exposed to harsh weather conditions, including saline atmospheres.
Its simple design, without sharp edges, meets European recommendations and major safety regulations worldwide. The front part is designed to accommodate all J&R series telephones, for Emergency and Service.
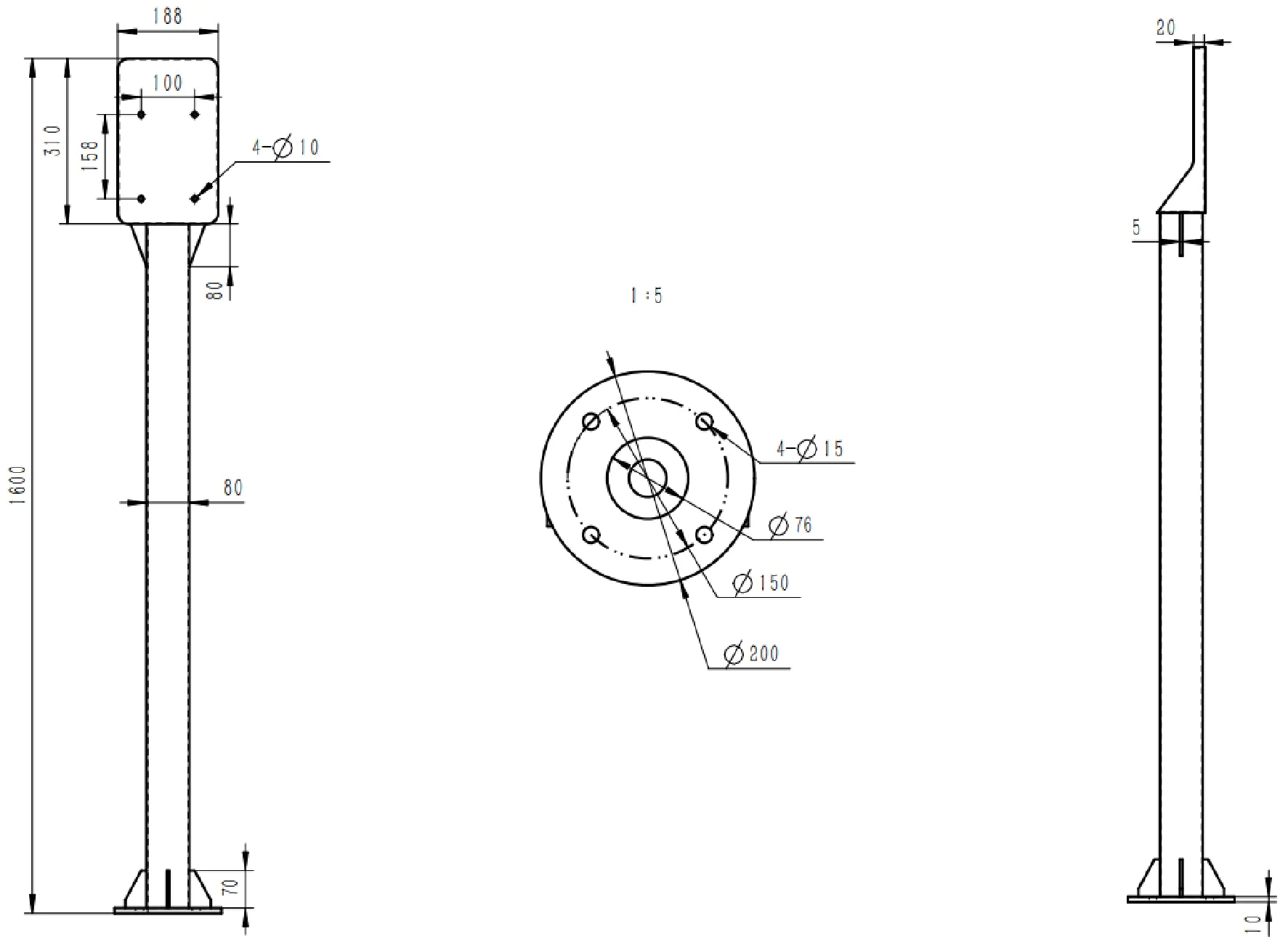
Cable entry is provided in buttom of the terminal, and prepared for the containment of auxiliary circuits.
Applications: campuses, parking lots, airports, commercial centers, hospitals, industrial parks, walkpath, amusement parks / recreational Facilities, highways/tunnels and remote outdoor areas such as forest parks.

Highway

Railway

Scenic spots

Seaside

Smart city

School

Parking

Parking Industry zone

| Package | |
| Unit size | 1600*188*200 (mm) |
| Shipping dimensions | 1650*440*360 (mm) |
| Packaging materials | Foam padding, wooden case |
| Weight | 43 kg (for 2 units) |